Skip to content

Serving the Coffee Industry

Since 1972
Search for products
Menu

Gen2 i4.0 Nitrogen Generators - New

Original price $51,151.42 - Original price $107,135.71
Original price
Price $51,151.42
$51,151.42 - $107,135.71
Price $51,151.42

Click Here to get an estimated idea of crate & freight cost for this product.

Why a Quote?

Some of our equipment have shipping, handling, and special options requiring additional information unique to your purchase.

Basic Info

Description

Specifications

Key Features

Sales, Inspection and Relocation

  • Condition: New, factory-tested
  • Year Built: Current model (GEN2 i4.0)
  • Service: Pre-shipment tested at the factory
  • Capacity: Maximum operating pressure 232 PSIG
  • Gas Type: Nitrogen
  • Valve Type: Piston valve
  • System Type: PSA (Pressure Swing Adsorption)
  • Housing Material: Aluminum
  • System Design: Dual bed
  • Gas Purity Control: Purity guarantee valve
  • Install Style: Plug and play
  • Included Equipment: Filters, compressed air dryer, generator, tanks
  • Original Manuals: Included.

📞 CONTACT SALES DIRECT @ 650-569-0011 FOR MORE INFORMATION.

Nano-Purification GEN2 i4.0 Continuous High Purity Nitrogen On-Demand Skid

Looking for a reliable and cost-effective solution to produce high-purity nitrogen on-site? The Nano-Purification Solutions GEN2 i4.0 Nitrogen Generator offers a turn-key skid system that replaces costly and hazardous liquid or bottled nitrogen supplies. This ultra high purity on-demand Nitrogen generator is designed to meet all packaging needs by extending product freshness.

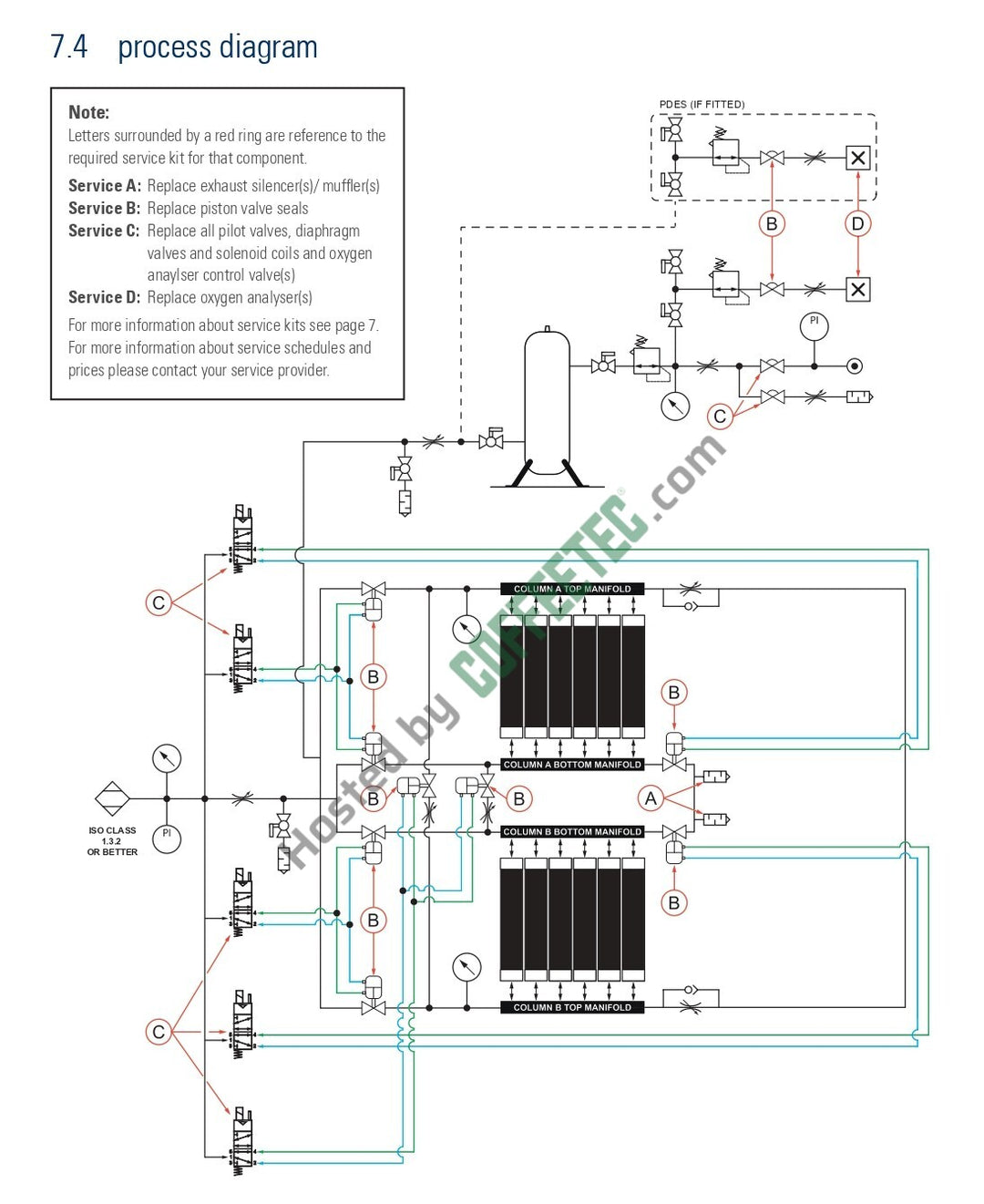
Built with advanced Pressure Swing Adsorption technology, the Nitrogen generator for coffee packaging features dual extruded aluminum columns filled with Carbon Molecular Sieve. This design ensures uninterrupted operation and includes essential components like filters, air dryers, and tanks, all factory-tested to reduce installation challenges. 

If you want a safer, more efficient nitrogen supply with a quick return on investment, this Nano-Purification generator skid is an ideal choice. Contact us to order this unit and get started on upgrading your nitrogen supply system today!

About Nano

Nano-Purification Solutions designs and manufactures advanced compressed air and gas purification systems. Serving industries like pharmaceuticals, food, and electronics, they offer nitrogen and oxygen generators, dryers, and filtration equipment. With a focus on customization, innovation, and global service, Nano delivers high-performance solutions that minimize downtime and boost efficiency. Now part of the Atlas Copco Group, they continue to lead in clean air technology.

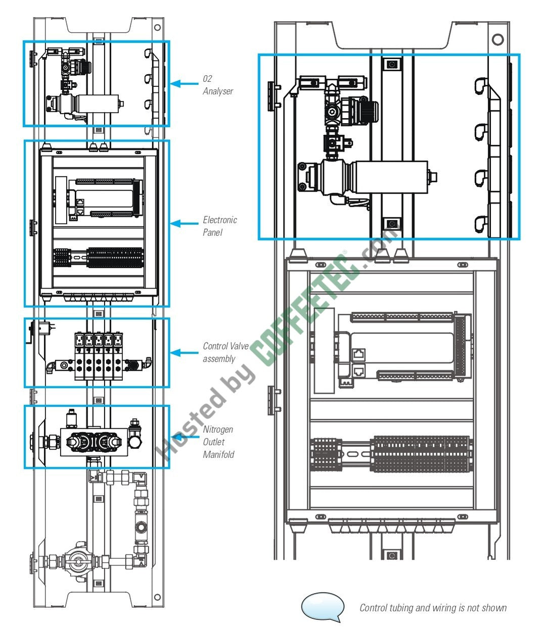
Engineering Drawings

Nano Gen2 I4 0 Ultra High Purity Nitrogen Gas Generator Basic Specifications

  • Weight: Approximately 110 lbs 
  • Operating Pressure: Up to 232 PSIG
  • Warranty: 2 years
  • Return on Investment: Less than 24 months
  • Power Supply Input (Flow Monitoring): 4-20 mA

Features of the Nano Gen2 I4 0 Ultra High Purity Nitrogen Gas Generator

  • Factory tested for guaranteed performance, reducing downtime.
  • Ecomode energy savings feature lowers power consumption.
  • An integral oxygen analyzer for better gas purity.
  • Innovative piston valves cut down maintenance requirements and interruptions.
  • Remote monitoring capability for seamless connection to control systems.

Purchase Conditions 

  • USED equipment is sold as “AS-IS.” Inspect before buying.
  • A 10% deposit is required for inspection appointments.
  • If not purchased, 50% of the deposit (or $1,000 max) is credited for future purchases, the rest is refunded.

Returns & Refunds

  • All USED equipment sales are final.
  • NEW equipment: If unsatisfied, we’ll work with you and the manufacturer for a resolution (replacement, refund, exchange, or credit).

Warranties

  • NEW products have manufacturer warranties.
  • CoffeeTec is not responsible for manufacturers' machines or designs.

Terms & Conditions: 

Read Our Equipment Listing Terms and Conditions.

Privacy Statement: 

Read Our Privacy Statement

Why choose us?

Comprehensive Solutions

From equipment and financing to consulting and education, we’re your one-stop shop

Unmatched Inventory

Explore over 3,000 new and used coffee roasting items—the largest collection online

Decades of Expertise

Benefit from our pioneering legacy and deep industry knowledge

Global Reach

Access the latest coffee tech from the U.S., Europe, and Asia.

Customer-Centric Approach

We are focused on long-term partnerships and your success

Active Community Engagement

We are proud participants in industry events and associations